銷售①:13508662630 銷售②:13507271573
公司地址:襄陽市樊城區春園西路賈洼工業園 郵箱:xfycdq@163.com
有源濾波器濾波: 由于無源濾波器具有以上缺點,隨著電力電子技術的不斷發展,人們將濾波研究方向逐步轉向有源濾波器。與無源濾波器相比,有源電力濾波器具有高度可控性和......
發布時間:2017-05-15
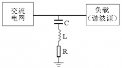
諧波治理方法: (1)無源濾波器濾波: 采用電力濾波裝置,就近吸收諧波源所產生的諧波電流,是抑制諧波污染的有效措施。 由電力電容器、電抗器和電阻器,適當組合而組......
發布時間:2017-05-15
諧波治理的必要性: 以上危害,在有些企業中表現的比較突出,而在一些企業中表現的不是很明顯,然而諧波危害的隱患依然存在。特別是在一些自動化程度較高的行業,如果諧波......
發布時間:2017-05-15
1)諧波對供電變壓器的影響 諧波對供電變壓器的影響主要是產生附加損耗,溫升增加,出力下降,影響絕緣壽命。 2)諧波對旋轉電機的影響 諧波對旋轉電機的主要影響是產......
發布時間:2017-05-15
3、諧波的危害: 主要表現在以下幾個方面: 諧波使企業電網中的設備產生附加諧波損耗,降低電網、輸電及用電設備的使用效率,增加電網線損。在三相四線制系統中,零線會......
發布時間:2017-05-15



(不想等待可點擊按鈕通過QQ進行溝通,或直接電聯。)
關閉