公司地址:襄陽市樊城區春園西路賈洼工業園 郵箱:xfycdq@163.com
水阻柜適合的地方還是非常多的,這里是源創電氣公司為大家講解的技術資料水阻柜應用在什么地方比較適合,我們需要好好的考慮 好他的用處才是最為好鱷梨的惡合理的
適用于建材、冶金、化工、礦山等工業部門的球磨機、空壓機、破碎機、大型風機、大型水泵的電軟起動,是頻敏起動器和金屬電阻起動器的理想替代產品。其結構簡單,可靠性強,而且經濟實用,維護性強。水阻柜的作用是使電機起動過程平滑軟起動.
水阻柜啟動原理圖

圖1
鼠籠式電機水阻柜工作原理
水阻柜是在電機定子回路中串可變液體電阻的一種降壓起動方式,即隨著主電動機的起動,裝置自動改變液體電阻動、定極之間的間距,使電阻線性均勻減小,電動機端電壓均勻提高的一種起動方式;水阻柜內部主要包括3個獨立的水箱,三相電分別通入每一個水箱,水箱底部有一固定的銅極板,水箱上部有一可上下移動的銅極板,分別引出進出一次線。以極板升降改變阻值,其柜內部主要包括:水箱(三相分開),一套極板,極板升降電機和傳動絲桿、軸承及短接接觸器、PLC等。水箱體積主要根據電機大小,計算需要的散熱液體體積,因此柜體體積有大有小。如圖1,SM時三個水箱做成的水電阻,起動時KM1吸合,起動完畢后KM2短接,KM1脫開,起動過程結束。
繞線式電機水阻柜工作原理
這類水阻柜主要適用于繞線式電機,大家知道繞線式電機起動電流小,起動轉矩大,主要用于拖動重負荷,比如球磨機、破碎機、重型機床等。這類軟啟動器近年來主要是水阻軟啟動器。

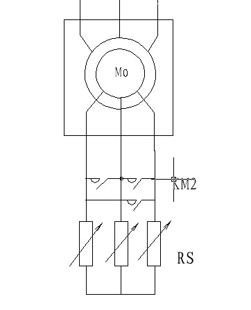
圖2
這種水阻水阻柜與上面提到的水阻水阻柜工作原理一樣,只是它串入在電機的轉子回路,而不是定子。水阻柜內部有些不一樣,由于轉子回路需要一直短接,剛開始起動時是在水阻柜內的水電阻后端短接成星形,起動完畢后是靠接觸器在水電阻前端短接成星形。如圖2.RS是水電阻,起動完畢后KM2來短接轉子。
對于繞線式異步電動機來說,當電網電壓及頻率不變時,在轉子回路中串入隨電動機轉速增加而相應減小的起動電阻后,一方面可以減小起動電流,另一方面又可以始終獲得較大的起動轉矩。水阻柜就是利用這一原理來起動的,以特種介質的水溶液作為電阻,在特殊設計的液阻箱中引入極板作電極將電阻星型連接后串入電機轉子回路中,起動器接到電機起動信號時,由一小功率伺服電機帶動極板移動來改變極板的相對位置,使(串入轉子回路的)液體電阻由大到小作無極變化,當電阻變化到最小時,短接接觸器閉合,使電機轉子星點直接短接,從而使電機低電流大轉矩平滑起動。
下一篇:源創水電阻柜哪些地方比較適合應用




(不想等待可點擊按鈕通過QQ進行溝通,或直接電聯。)
關閉